Contacto :
+33 (0)1.60.56.43.01
export@savigny-sas.com
938, Avenue St-Just - 77000 VAUX-LE-PENIL
Empresa
Sobre nosotros
Nuestras definiciones técnicas
Catálogo
Cierres de palanca / Ganchos / Contrachapas
Bisagras
Asas / Contra placas
Eslingas
Artículos para cajas
Cerraduras (pestillo 1/4 de vuelta)
Varias cerraduras y cierres
Juntas y bordes protectores
Varios accesorios
Fijaciones rápidas : 1/4 de vuelta / Remaches estándares
Abrazaderas de palanca
Fabricaciones específicas / salida de almacén
Preguntas Frecuentes
Contacto
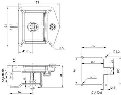
Cerradura con asa de tracción (en forma de T) con llave No. 2233
Inicio
/
Catálogo
/
Varias cerraduras y cierres
/
Varios cierres
/ Cerradura con asa de tracción (en forma de T) con llave No. 2233
Descargar archivo IGS
FIJACIÓN
MATERIA
ACABADO
REFERENCIAS
Atornillado
Acero
cromado
VTT.CL2233-120.CH*
Atornillado
Acero
pintura negra
VTT.CL2233-120.PN
Atornillado
Acero inoxidable
pulido
VTT.CL2233-120.IP
* Artículos fabricados bajo petición
Productos associados
Remache de cabeza plana Alu/Acero D1.4 a 6.4 Remache Alu/Acero
VER